上海淞江減震器集團有限公司官方網站為您介紹:KQJZ型空氣減震器安裝說明電子版信息,淞江集團為廣大客戶提供更多的方便,技術部提供了以下詳細的安裝說明,請用戶根據我們的安裝說明來安裝使用,這樣會讓空氣減震器的使用壽命和使用效果更好。
Shanghai Songjiang absorber group limited official website introduces for you: KQJZ type air damper installation electronic version information, Songjiang group provides more convenience for our customers, technology department offers the following detailed installation instructions, please users according to our setup instructions to install and use, it would be better to let the air damper the and use effect.

安裝前,請確認空氣減震器的型號規格是否正確。
BBefore installing, please confirm that the size of the shock absorber is correct.
安裝說明
Installation guide
所需工具:公制口徑19mm (M12)、24mm (M16)、30mm (M20) 開口扳手、打氣筒、壓力表、水平尺、爪式千斤.。
The tools required are 19mm (M12), 24mm (M16), 30mm (M20) open wrench, air punch, pressure gauge, horizontal ruler, and claw jack.
在沒有任何荷重的情況下,空氣減震器內請勿充氣。
In the absence of any load, do not inflate in the air shock absorber.
用爪式千斤頂慢慢將設備頂高至臨時墊木(100~110mm)相同高度。(如圖2)
With the claw jack, the height of the device is slowly raised to the same height of the 100~110mm. (Fig 2)
將空氣減震器與設備固定孔固定。(如圖4)
Fixed the air shock absorber with the fixed hole of the equipment. (Fig 4)
充氣時:以空壓機或打氣筒直接充氣至正常使用高度,空氣減震器內氣壓過高時,可以按住氣門嘴排氣至正常高度。(如圖5)
When inflated: air compressor or inflator can be directly inflated to normal operation height. When the air pressure inside the shock absorber is too high, it can hold the valve to the normal height. (Fig 5)


氣門嘴與常規汽車輪胎氣嘴相同。
The valve mouth is the same as the conventional car tire.
最大使用壓力為:4.5kg/cm2=0.44Mpa,但充氣時要與空氣減震器正常高度為調整基準。(高度為95mm~105mm)
The maximum use pressure is 4.5kg/cm2=0.44Mpa, but it should be adjusted to the normal height of air shock absorber when inflating. (height is 95mm~105mm)
以水平尺檢查設備的水平度,并以充氣及放氣來調整水平。(如圖6)
The level of the equipment is checked with a horizontal ruler, and the level is adjusted by inflating and deflating. (Fig 6)
使用溫度范圍:-10℃~60℃,可以安裝在室外。
Use the temperature range: -10 C ~60 C, can be installed in the outdoor.
安裝和使用時,請注意氣門嘴和空氣減震器橡膠處不能受到外界損壞。
When installing and using, please note that the valve mouth and the rubber of the air shock absorber can not be damaged by the outside.

保養點檢項目:每月觀察空氣減震器高度是否正常,是否需要充氣維持正常高度。
Maintenance check items: whether the air shock absorber height is normal every month and whether it needs to be inflated to maintain the normal height.
注意:移動設備前請先按下氣門嘴將空氣減震器氣壓排出,以免造成空氣減震器損壞。
Note: before the mobile device, please press the valve mouth first to discharge air shock pressure, so as to avoid damage to the air shock absorber.
圖1) 空氣減震器在無荷重狀態下,請勿對空氣減震器進行充氣。
Fig 1) Air shock absorbers do not inflate the air shock absorbers in a state of no load.

圖2) 用爪式千斤頂將設備抬起,在設備底部放置臨時墊木臺。
Fig 2) The equipment is lifted with the claws jacks and the temporary wooden table is placed at the bottom of the equipment.

圖3) 將空氣減震器放置安裝位置。
Fig 3) Place the air shock absorber in the installation position.

圖4) 將空氣減震器與設備固定起來。
Fig 4)Fix the air shock absorber and the equipment.

圖5) 使用充氣工具對空氣減震器進行充氣,最大壓力不得超過:0.44Mpa(4.4kg),正常高度為95mm~105mm。
Fig 5)Air shock absorbers are inflated with an inflatable tool. The maximum pressure should not exceed: 0.44Mpa (4.4kg), and the normal height is 95mm~105mm.

圖6) 利用水平尺將設備調整水平。
Fig 6) Use the level ruler to adjust the level of the equipment.

]]>
安裝前,請確認淞江集團彈簧減震器的型號和規格是否正確。
Before installation,make sure the model and the specification are correct.
安裝說明
Installation guide
所需工具:公制口徑17mm(M10)、19mm(M12)開口扳手、爪式千斤.。
Required tools:17mm(M10)、19mm(M12)open wrenches and claw jack.
可先放置與彈簧減震器高度相同的臨時木塊與設備安裝處,再安裝設備。(如圖1)
Place the wooden panel with the same height as the isolator at the installation before installing.(Fig 1)
先將固定螺栓的上部螺帽取下,再放松下部的螺母使全牙螺栓下降,以方便將彈簧減震器放入安裝位置。(如圖2)
Rrmove the upper nuts from the fixed bolt.Loosen the lower nuts to descend the full-thread bolt to install the isolator.(Fig 2)
根據螺栓固定孔的位置,與安裝位置預埋基礎螺栓。
Embed foundation bolt according to the location of bolt-loaded holes.
將彈簧減震器放置到與設備的正確安裝位置。(如圖3)
Place the isolator on the correct installation location.(Fig 3)

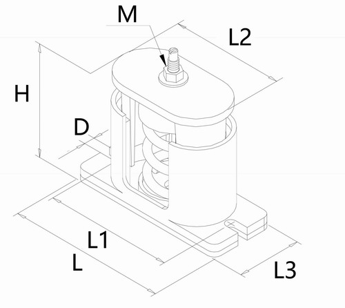
SHA型彈簧減震器結構圖:
SHA Spring shock absorber Structure drawing

| 型號/規格 | L (mm) |
L1 (mm) |
L2 (mm) |
L3 (mm) |
H (mm) |
D (mm) |
M (mm) |
| SHA-S | 153 | 123 | 105 | 71 | 120 | 12 | 12 |
| SHA-M | 178 | 135 | 117 | 76 | 135 | 12 | 14 |
| SHA-L | 209 | 175 | 1152 | 88 | 160 | 16 | 16 |
調整下部螺母使全牙螺栓上升至與設備安裝處,并將上部螺母與全牙螺栓鎖緊。(如圖4)
Adjust lower nuts to raise the full-thread bolt for the installation and slightly lock the upper nuts and full-thread bolt.(Fig 4)
使用開口扳手以順時針方向調整螺母使彈簧受力下壓,調整至臨時木臺可取出時停止調整。(如圖5)
Apply open wrench in the clockwise direction to press down the spring. Adjustment can be stopped and wooden panel can be removed once you can take out thepressure pad.(Fig 5)
將固定螺栓確保完全鎖緊,即完成淞江集團彈簧減震器安裝調整。(如圖6)
After the adjustment,lock the isolator with fixed bolt.(Fig 6)
安裝后請檢查彈簧下壓量,如彈簧壓到底,則表示荷重不足,沒有減震效果。應該更換較大荷重的彈簧減震器型號,并請于本公司業務人員聯系。
After the adjustment,check the press amount of the spring.If it appears with insufficient loading,please replace with bigger loading by contacting our staff.
安裝時 請注意安全。
Be cautious during the installation.
保養須知:每月要觀察CS固定螺栓是否有松動,保持彈簧減震器安裝時彈簧下壓撓度是否正常。
Maintenance checking points:remain M12 fixed bolt locked,balance of the base,installation of the isolator,and the deflection of the spring.
圖1)安裝設備時先放置與彈簧減震器高度相同的木臺。
Fig 1)Pace the wooden panel with the same height as the isolator at the installation before installing.

圖2)固定螺栓的上部螺帽先取下來,再把下部螺帽松掉使螺栓下降,以便安裝。
Fig 2)Remove the upper nuts from the fixed bolt.Loosen the lower nuts to descend the bolt for the installation.

圖3)將淞江集團彈簧減震器放入設備的安裝底部位置。
Fig 3)Place the isolator on the correct installation location.

圖4)調整下部螺帽使螺栓上升至能與設備連接,再將固定螺帽鎖緊。
Fig 4)Adjust lower nuts to raise the bolt to connect with the equipment and slightly lock the fixed nuts.

圖5)用開口扳手以順時針方向調整螺帽,調整*臨時木臺可以取出時即可停止調整。
Fig 5)Apply open wrench in the clockwise direction to adjust the nuts.Adjustment can be stopped once wooden panel is removed.

圖6)將固定螺栓與設備完全鎖緊后,即完成淞江集團彈簧減震器安裝調整。
Fig 6)After the adjustment,lock the isolator with fixed bolt.

SCM Damping?shock absorber?Installation instructions
安裝前,請確認淞江集團橡膠彈簧減震器的型號和規格是否正確。
Before installation,make sure the model and the specification are correct.
安裝說明
Installation guide
所需工具:M10、M12、M14、M16、M20開口扳手。
Required tools:M10、M12、M14、M16、M20 open wrenches.
檢查附件是否齊全,彈簧減震器是否有缺陷或破損。(如圖1)
Check the isolator and other accessories see if they are all completely or having any defects.(Fig 1)
將彈簧減震器放到設備的安裝位置。(如圖2)
Place the isolator on the correct installation position.(Fig 2)
鎖緊螺母和墊片,確保設備和彈簧減震器固定到位。(如圖3)
Fasten the nuts and washers to ensure the equipment feet holes are fixed to the isolator.(Fig 3)
安裝后請檢查彈簧下壓量,如彈簧壓到底,則表示荷重不足,沒有減震效果。應該更換較大荷重的彈簧減震器型號,并請于本公司業務人員聯系。
After the adjustment,check the press amount of the spring.If it appears with insufficient loading,please replace with bigger loading by contacting our staff.
安裝時 請注意安全。
Be cautious during the installation.
SCM型彈簧減震器實物:
SCM type shock absorber parameter table:

SCM型彈簧減震器結構圖:
SCM type shock absorber Structure drawing:

SCM型彈簧減震器參數表:
SCM type shock absorber parameter table:
| 型號 Type |
最大載荷 Optimum load(kg) |
外形尺寸?Dimensions(mm) | ||||||
| H | D | L1 | L2 | d | d1 | |||
| SCM-10 | 10 | 70 | 65 | 75 | 95 | 10 | 11 | |
| SCM-20 | 20 | 70 | 65 | 75 | 95 | 10 | 11 | |
| SCM-30 | 30 | 70 | 65 | 75 | 95 | 10 | 11 | |
| SCM-40 | 40 | 70 | 65 | 75 | 95 | 10 | 11 | |
| SCM-60 | 60 | 70 | 65 | 75 | 95 | 10 | 11 | |
| SCM-80 | 80 | 110 | 85 | 105 | 125 | 12 | 11 | |
| SCM-120 | 120 | 110 | 85 | 105 | 125 | 12 | 11 | |
| SCM-160 | 160 | 110 | 85 | 105 | 125 | 12 | 11 | |
| SCM-240 | 240 | 110 | 85 | 105 | 125 | 12 | 11 | |
| SCM-320 | 320 | 145 | 130 | 145 | 165 | 14 | 13 | |
| SCM-480 | 480 | 145 | 130 | 145 | 165 | 14 | 13 | |
| SCM-640 | 640 | 145 | 130 | 145 | 165 | 14 | 13 | |
| SCM-820 | 820 | 150 | 190 | 210 | 245 | 16 | 15 | |
| SCM-1000 | 1000 | 150 | 190 | 210 | 245 | 16 | 15 | |
| SCM-1280 | 1280 | 150 | 190 | 210 | 245 | 16 | 15 | |
| SCM-1500 | 1500 | 150 | 190 | 210 | 245 | 16 | 15 | |
| SCM-2000 | 2000 | 150 | 190 | 210 | 245 | 16 | 15 | |
| SCM-2700 | 2700 | 160 | 320 | 192 | 240 | 20 | / | |
| SCM-3500 | 3500 | 160 | 320 | 192 | 240 | 20 | / | |
| SCM-4800 | 4800 | 160 | 320 | 192 | 240 | 20 | / | |
保養須知:每月要觀察CS固定螺栓是否有松動,保持彈簧減震器安裝時彈簧下壓撓度是否正常。
Maintenance checking points:remain M12 fixed bolt locked,balance of the base,installation of the isolator,and the deflection of the spring.
圖1)檢查附件是否齊全,彈簧減震器是否有缺陷或破損。
Fig 1)Check the isolator and other accessories see if they are all completely or having any defects.

圖2)將彈簧減震器放到設備的安裝位置。
Fig 2)Place the isolator on the correct installation position.

圖3)鎖緊螺母和墊片,確保設備和彈簧減震器固定到位。
Fig 3)Fasten the nuts and washers to ensure the equipment feet holes are fixed to the isolator.

Key factors for installation
安裝的關鍵因素
Following advises are however to be taken into consideration in order to obtain a good performance and prolonged of the expansion joint.
注意:為了獲得良好的性能和延長伸縮縫的使用壽命,必須考慮以下建議。
Fixed points
固定點
An expansion joint acts as a piston by the forces arising from the internal pressure.To prevent the pipes from damage they are to be properly anchored in order to take care of these reaction forces (Fr).
橡膠接頭由內部壓力產生的力作用于活塞,為了防止管道受到損壞,必須將管道固定起來,以處理這些反作用力(FR)。
The Reaction force of an expansion joint is calculated by the following formula:
橡膠接頭的反力計算公式如下:
Fr = Q x P x 0.01
Fr = reaction force in kN.
Q = effective cross sectional area in cm2.
P = actual pressure in bar or kp/cm2
Installation
安裝
The turnable metal flanges make installation easier and eliminate twist.
可旋轉的金屬法蘭,使安裝更容易,消除扭曲。
The low inherent rigidity of Sungkiang expansion joints make for easier accommodation of installation dimensions.
為方便調節安裝尺寸使淞江橡膠接頭固有的低剛度。
Check the permissible movements,temperature,pressure and proper rubber quality before installation!
安裝前先檢查管道的活動范圍,溫度,壓力和對應的橡膠材質!


The expansion joints shall be easily accessible and open to regular supervision. Lt is recommended to let the expansion joints work in compression rather than stretching. Torsion is not permitted.
橡膠接頭應很容易的定期檢查。我建議橡膠接頭的工作是壓縮,而不是拉伸,更不允許扭轉。
Maintenance instructions: observe whether the rubber joint is over stretched and keep the rubber joint in normal length every month.
保養須知:每月要觀察橡膠接頭是否超位移拉長,保持橡膠接頭在正常長度內使用。
Pressure-restrained expansion joint on pump (with tie bar).
壓力限制橡膠接頭(帶拉桿)。

Absorb vibrations and thus relieve pressure on the machine housing.
吸收振動,從而減輕對機房的噪音。

Arrangement with lateral expansion joints.
橫向橡膠接頭裝置。


Mounting
安裝
In order to provide the movement capabilities indicated indicated in the technical specifications,the assembly bolts should be mounted with bolts heads towards expansion jint body.(1)
If this is for any reason impossible,ensure that the threaded bolts project as little as possible(no more than 2 or 3mm)to avoid damage to the body.
為了保證伸縮能力,技術安裝說明,裝配螺栓應安裝螺栓頭朝橡膠管反方向。(1)
如果無法朝橡膠管反方向安裝螺栓,那么就需要確保螺紋螺栓盡量少(不超過2毫米或3mm),以避免損壞身體。

Tightening must be progressive and crosswise in diagonal sequence with bolting pressure evenly distributed.
在錨桿壓力均勻分布的斜交序列中,必須采用漸進式和橫向式。
The design of the expansion joints secures a sealing to the counter flange. That is why no sealing gasket is required.
橡膠接頭的設計保證了對法蘭的密封,這就是為什么不需要密封墊圈的原因。
Note:If the bolts and nuts are tightened too strongly, the sealing face might be crushed causing function!
注意:如果螺栓和螺母擰緊過大,密封面可能被壓碎導致漏水!
Counter flanges
反法蘭
It is very important for the safe operating and life expectancy of the expansion joint to make a proper installation of the counter flanges(Fig. 2 to 5). The sealing face of the counter flange must be machined smooth and cover most of the rubber sealing face(or at least 60%)to ensure agood sealing(Fig.2).
正確安裝防側法蘭對橡膠接頭的安全運行和壽命是非常重要的(圖2圖5)。對法蘭密封面要加工光滑,覆蓋大部分的橡膠密封面(最少80%)確保良好的密封(圖2)。

Precaution
預防措施
Do not paint or lubricate rubber parts of expansion joints!
不要涂或潤滑橡膠接頭的橡膠部件!
When welding work is to take place the bellow has to be protected from welding heat and sparks!
當焊接工作發生時,橡膠管體必須防止焊接發熱和火花!

Attention: Please strictly use the rubber fittings of the union according to the above requirements, if not use, cause any consequence, be not responsible for.
注意:請嚴格按照以上要求使用淞江橡膠接頭產品,如不當使用造成任何后果,概不負責。
Key factors for installation
Shanghai Songjiang Shock Absorber Group Co.,Ltd.
安裝前,請確認彈簧減震器的型號規格是否正確。
Before installation, make sure the model and the specification are?correct.
安裝說明
Installation guide
所需工具:公制口徑19mm (M12)、24mm (M16)、32mm (M22) 開口扳手、爪式千斤.。
Required tools: 19mm (M12), 24mm (M16) and 32mm (M22) open wrenches and claw jack.
在未完成減震器高度調整前,請勿將減震器的壓墊取出。
Before completing the adjustment of the isolator, do not remove the pressure pad from the isolator.
請先根據基礎螺栓固定孔的位置,與安裝位置預埋基礎螺栓。
Embed foundation bolt according to the location of bolt-loaded holes.
彈簧減震器安放到安裝位置后,先將定位柳釘拿掉。( 如圖1 )
Remove quilting rivet after installing the isolator (Fig 1) .
以M12固定螺栓將減震器與設備固定,但不鎖緊。( 如圖2 )
Fasten the isolator and the equipment with M12 fixed bolt without locking it (Fig 2).
將減震器利用基礎螺栓固定到地面上,並以臨時木臺固定高度。
Fasten the isolator with foundation bolt on the ground and fix the height with wooden panel.


| 規格 | 外形尺寸(mm) | 固定 螺栓 |
?BD | ||||||
| L | W | L1 | W1 | A | B | H | |||
| SHM-1 | 260 | 100 | 210 | 100 | 230 | 0 | 200 | 12 | 13 |
| SHM-2 | 235 | 220 | 235 | 140 | 195 | 180 | 200 | 14 | 13 |
| SHM-4 | 320 | 165 | 320 | 165 | 290 | 90 | 200 | 14 | 13 |
| SHM-6 | 400 | 170 | 400 | 170 | 370 | 90 | 200 | 18 | 13 |
| SHM-9 | 420 | 250 | 420 | 250 | 384 | 180 | 200 | 18 | 13 |
B值為0表孔中心在W/2
撓度可定制40mm、50mm、75mm、100mm、125mm、150mm
| 型號/規格 | 載荷范圍(kg) | 豎向剛度(kg/mm) | 適用撓度(mm) |
| SHM-1-100 | 80~120 | 4 | 25 |
| SHM-1-150 | 120~180 | 6 | 25 |
| SHM-1-200 | 160~240 | 8 | 25 |
| SHM-1-250 | 200~300 | 10 | 25 |
| SHM-1-300 | 240~360 | 12 | 25 |
| SHM-1-350 | 280~420 | 14 | 25 |
| SHM-1-400 | 320~480 | 16 | 25 |
| SHM-1-450 | 360~540 | 18 | 25 |
| SHM-1-500 | 400~600 | 20 | 25 |
| SHM-1-600 | 480~720 | 24 | 25 |
| SHM-1-700 | 560~840 | 28 | 25 |
| SHM-1-850 | 680~1020 | 34 | 25 |
| SHM-1-1000 | 800~1200 | 40 | 25 |
| SHM-1-1200 | 960~1440 | 48 | 25 |
| SHM-2-600 | 480~720 | 24 | 25 |
| SHM-2-800 | 640~960 | 32 | 25 |
| SHM-2-900 | 720~1080 | 36 | 25 |
| SHM-2-1000 | 800~1200 | 40 | 25 |
| SHM-2-1200 | 920~1440 | 48 | 25 |
| SHM-2-1400 | 1120~1680 | 56 | 25 |
| SHM-2-1600 | 1280~1920 | 64 | 25 |
| SHM-2-2000 | 1600~2400 | 80 | 25 |
| SHM-4-600 | 480~720 | 24 | 25 |
| SHM-4-800 | 640~960 | 32 | 25 |
| SHM-4-1000 | 800~1200 | 40 | 25 |
| SHM-4-1200 | 960~1440 | 48 | 25 |
| SHM-4-1400 | 1120~1680 | 56 | 25 |
| SHM-4-1600 | 1280~1920 | 64 | 25 |
| SHM-4-2000 | 1600~2400 | 80 | 25 |
| SHM-4-2400 | 1920~2880 | 96 | 25 |
| SHM-4-2800 | 2240~3360 | 112 | 25 |
| SHM-4-3200 | 2560~3840 | 128 | 25 |
| SHM-4-4000 | 3200~4800 | 160 | 25 |
| SHM-4-4800 | 3840~5760 | 192 | 25 |
| SHM-6-3600 | 2880~4320 | 144 | 25 |
| SHM-6-4200 | 3360~5040 | 168 | 25 |
| SHM-6-5000 | 4000~6000 | 200 | 25 |
| SHM-6-6000 | 4800~7200 | 240 | 25 |
| SHM-6-7200 | 5760~8640 | 288 | 25 |
| SHM-9-4500 | 3600~5400 | 180 | 25 |
| SHM-9-5400 | 4320~6480 | 216 | 25 |
| SHM-9-6300 | 5040~7560 | 252 | 25 |
| SHM-9-7200 | 5760~8640 | 288 | 25 |
| SHM-9-9000 | 7200~10800 | 360 | 25 |
| SHM-9-10800 | 8640~12960 | 432 | 25 |

調整彈簧減震器高度時先松掉兩邊的反掣螺帽5~10mm ,並相對鎖緊。( 如圖3 )
Loosen the nuts on both sides for 5~10mm first before adjusting?height of the isolator and lock them afterwards (Fig 3).
使用公制口徑32mm 開口扳手以逆時針方向調整M22螺栓,使彈簧受力下壓、彈簧減震器上蓋鐵上升。(如圖4 )
Adjust M22 adjustment bolt in the anti-clockwise direction with 32mm open wrench to press down?the spring and to raise the iron sheet (Fig 4).
調整*壓墊可取出時,即可停止調整并取出木臺。( 如圖5 )
Adjustment can be stopped and wooden panel can be removed once you can take out the pressure?pad (Fig 5).
將與設備固定之M12螺栓完全鎖緊,即完成安裝調整。( 如圖6 )
After the adjustment, lock the isolator with M12 fixed bolt (Fig 6).
安裝后請檢查彈簧之下壓量,如彈簧壓實表示荷重不足沒有避震效果。應予更換較大荷重之規格,并請聯系本公司人員。
After the adjustment, check the press amount of the spring. If it appears with insufficient loading,pleaereplace with bigger loading by contacting our staff.
安裝時,請注意安全。
Be cautious during the installation.
保養點檢項目:每月觀察固定螺栓與基礎螺栓保持鎖緊、保持避震器安裝狀態&彈簧下壓撓度正常。
Maintenance checking points: Check the mounting bolts, remain fixed bolt locked, installation of the isolator, and the deflection of the spring.
圖1) 將定位柳丁取出,並以木臺固定高度。
Fig 1) Remove quilting rivet and fix the?height with wooden panel.

圖2) 以M12螺栓將彈簧減震器與設備固定,但不鎖緊;同時以基礎螺栓將彈簧減震器固定。
Fig 2) Fasten the isolator and the Equipment?with M12 fixed bolt without locking it. Fasten?the isolator with foundation bolt.

圖3) 調整彈簧減震器過度時,先松掉兩邊之反掣螺帽5~10mm ,并相對鎖緊。
Fig 3) Loosen the nuts on both sides for?5~10mm first before adjusting height of?the isolator and lock them afterwards.

圖4) 使用公制開口板手以逆時針方向調整螺栓,使彈簧下壓、彈簧減震器上蓋鐵上升。
Fig 4) Adjust the bolt in the anticlockwise?direction with open wrench to press?down the spring and to raise the iron sheet.

圖5) 調整彈簧減震器上蓋鐵升高,壓墊可以取出時即可完成調整并取出木臺。
Fig 5) Adjust until the iron sheet of the?isolator arises. Adjustment can be stopped?and wooden panel can be removed once?you can take out the pressure pad.

圖6) 將螺栓與設備完全鎖緊后,即完成彈簧減震器安裝調整。
Fig 6) After the adjustment, lock the isolator?with M12 fixed bolt 5-10mm

安裝前,請確認淞江集團吊式彈簧減震器的型號和規格是否正確。
Before installation,make sure the model and the specification are correct.
安裝說明
Installation guide
所需工具:公制口徑17mm(M10)、19mm(M12)、24mm(M16)開口扳手。
Required tools:17mm(M10)、19mm(M12)、24mm(M16)open wrenches.
先與安裝位置處依據施工規范預埋符合荷重要求的基礎螺栓。(如圖1)
Embed required foundation bolts according to the loading on the installation location.(Fig 1)

吊式彈簧減震器結構圖:
Hanging type shock absorber?structure drawing:

外形尺寸表:
Outline dimension table:
| 規格 | A (mm) |
B (mm) |
C (mm) |
h1 (mm) |
h2 (mm) |
H (mm) |
BD (mm) |
| HTA-A | 37 | 50 | 25 | 7 | 45 | 80 | 8-10 |
| HTA-B | 40 | 60 | 28 | 7 | 65 | 110 | 10 |
| HTA-C | 70 | 90 | 40 | 25 | 90 | 150 | 12-14 |
| HTA-D/E | 86 | 120 | 50 | 20 | 130 | 200 | 12-16 |
安裝說明
Installation guide
將彈簧減震器裝到預留安裝位置的螺栓上面,并將螺栓鎖緊。(如圖2)
Fit spring dampers on the bolts at the reserved mounting position and lock the bolts.(Fig 2)
將彈簧減震器與設備連接的絲牙條裝上。(如圖3)
Fit the spring shock absorber with the wire bar attached to the device.(Fig 3)
使用上下兩顆螺帽安裝與設備連接的固定處,以便調整,此時上部螺帽不需要鎖緊。(如圖4)
Use the upper and lower two nuts to install the attachment to the device so that the upper nut does not need to be locked.(Fig 4)
將設備安裝或配管安裝完成。
Complete the equipeent and piping engineering installation.
使用開口扳手調整下部螺帽來調整設備水平及彈簧壓縮量。(如圖5)
Apply the open wrench to adjust lower nuts for the balance of the eqipment and the press amount for the spring.(Fig 5)
調整完成后將上下兩顆螺帽相對鎖緊,即可完成淞江集團HTA吊式彈簧減震器的安裝調整。(如圖6)
Lock the upper and lower nuts after adjusting.(Fig 6)
安裝后請檢查彈簧下壓量,如彈簧壓到底,則表示荷重不足,沒有減震效果。應該更換較大荷重的彈簧減震器型號,并請于本公司業務人員聯系。
After the adjustment,check the press amount of the spring.If it appears with insufficient loading,please replace with bigger loading by contacting our staff.
安裝時 請注意安全。
Be cautious during the installation.
保養須知:每月要觀察固定螺栓是否有松動,保持彈簧減震器安裝時彈簧下壓撓度是否正常。
Maintenance checking points:remain M12 fixed bolt locked,balance of the base,installation of the isolator,and the deflection of the spring.
圖1)安裝前,請確認淞江集團吊式彈簧減震器的型號和規格是否正確。
Fig 1)Before installation,make sure the model and the specification are correct.

圖2)將彈簧減震器裝到預留安裝位置的螺栓上面,并將螺栓鎖緊。
Fig 2)Fit spring dampers on the bolts at the reserved mounting position and lock the bolts.

圖3)將淞江集團吊式彈簧減震器與設備連接的絲牙條裝上。
Fig 3)Fit the spring shock absorber with the wire bar attached to the device.

圖4)使用上下兩顆螺帽安裝與設備連接的固定處,以便調整,此時上部螺帽不需要鎖緊。
Fig 4)Use the upper and lower two nuts to install the attachment to the device so that the upper nut does not need to be locked.

圖5)使用開口扳手調整下部螺帽來調整設備水平及彈簧壓縮量。
Fig 5)Apply the open wrench to adjust lower nuts for the balance of the eqipment and the press amount for the spring.

圖6)調整完成后將上下兩顆螺帽相對鎖緊,即可完成淞江集團HTA吊式彈簧減震器的安裝調整。
Fig 6)Lock the upper and lower nuts after adjusting.

安裝前,請確認淞江集團橡膠減震器的型號和規格是否正確。
Before installation,make sure the model and the specification are correct.
安裝說明
Installation guide
所需工具:M10、M12、M16、M18、M20開口扳手。
Required tools:M10、M12、M16、M18、M20 open wrenches.
檢查附件是否齊全,橡膠減震器是否有缺陷或破損。(如圖1)
Check the isolator and other accessories see if they are all completely or having any defects.(Fig 1)
將橡膠減震器放到設備的安裝位置。(如圖2)
Place the isolator on the correct installation position.(Fig 2)
鎖緊螺母和墊片,確保設備和橡膠減震器固定到位。(如圖3)
Fasten the nuts and washers to ensure the equipment feet holes are fixed to the isolator.(Fig 3)


SCR型低頻橡膠減震器參數表:
SCR type rubber shock absorber parameter table:

圖2)將橡膠減震器放到設備的安裝位置。
圖1)檢查附件是否齊全,橡膠減震器是否有缺陷或破損。
Fig 1)Check the isolator and other accessories see if they are all completely or having any defects.

Fig 2)Place the isolator on the correct installation position.

圖3)鎖緊螺母和墊片,確保設備和橡膠減震器固定到位。
Fig 3)Fasten the nuts and washers to ensure the equipment feet holes are fixed to the isolator.

]]>
安裝前,請確認淞江集團橡膠減震器的型號和規格是否正確。
Before installation,make sure the model and the specification are correct.
安裝說明
Installation guide
所需工具:公制口徑17mm(M10)、19mm(M12)、24mm(M16)開口扳手。
Required tools:17mm(M10)、19mm(M12)、24mm(M16)open wrenches.
檢查附件是否齊全,橡膠減震器是否有缺陷或破損。(如圖1)
Check the isolator and other accessories see if they are all completely or having any defects.(Fig 1)
將橡膠減震器放到設備的安裝位置。(如圖2)
Place the isolator on the correct installation position.(Fig 2)
鎖緊螺母和墊片,確保設備和橡膠減震器固定到位。(如圖3)
Fasten the nuts and washers to ensure the equipment feet holes are fixed to the isolator.(Fig 3)

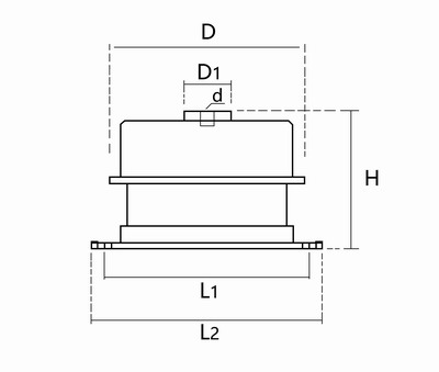
STR型橡膠減震器結構圖:
STR type rubber shock absorber Structure drawing:

STR型橡膠減震器參數表:
STR type rubber shock absorber parameter table:
| 型號 Model |
L (mm) |
W (mm) |
H (mm) |
CS (mm) |
A (mm) |
B (mm) |
載荷(kg) | |
| Min | Max | |||||||
| STR-100 | 95 | 53 | 48 | M10 | 77 | 10 | 50 | 150 |
| STR-130 | 127 | 77 | 70 | M12 | 101 | 14 | 150 | 450 |
| STR-180 | 180 | 118 | 70 | M16 | 149 | 14 | 450 | 1000 |
圖1)檢查附件是否齊全,橡膠減震器是否有缺陷或破損。
Fig 1)Check the isolator and other accessories see if they are all completely or having any defects.

圖2)將橡膠減震器放到設備的安裝位置。
Fig 2)Place the isolator on the correct installation position.

圖3)鎖緊螺母和墊片,確保設備和橡膠減震器固定到位。
Fig 3)Fasten the nuts and washers to ensure the equipment feet holes are fixed to the isolator.

]]>
上海淞江減震器集團有限公司官方網站為您介紹:【中英文】波紋補償器安裝說明“簡單實用”信息,淞江集團為網友分享波紋補償器中英文版本的安裝說明,方便大家進一步了解和學習波紋補償器知識,以下是詳細介紹。
The official website of Shanghai Songjiang Shock Absorber Group Co., Ltd. will introduce to you: [Chinese and English] The installation instructions of corrugated compensators are "simple and practical" information. The installation instructions of Chinese and English versions of corrugated compensators are shared by Songjiang Group for netizens, which will facilitate you to further understand and learn the knowledge of corrugated compensators. The following is a detailed introduction.

Key factors for installation
安裝的關鍵因素
Following advises are however to be taken into consideration in order to obtain a good performance and prolonged service life of the expansion joint.
注意:為了獲得良好的性能和延長補償器的使用壽命,必須考慮以下建議。
Fixed points
固定點
An expansion joint acts as a piston by the forces arising from the internal pressure.To prevent the pipes from damage they are to be properly anchored in order to take care of these reaction forces (Fr).
波紋補償器由內部壓力產生的力作用于活塞,為了防止管道受到損壞,必須將管道固定起來,以處理這些反作用力(FR)。
The Reaction force of an expansion joint is calculated by the following formula:
波紋補償器的反力計算公式如下:
Fr = Q x P x 0.01
Fr = reaction force in kN.
Q = effective cross sectional area in cm2.
P = actual pressure in bar or kp/cm2
Mounting
安裝
Before installation, the temperature, pressure and displacement of the product should be strictly used.
安裝前應嚴格在產品允許的溫度、壓力和位移量范圍內使用!
The expansion joints shall be easily accessible and open to regular supervision. Lt is recommended to let the expansion joints work in compression rather than stretching. Torsion is not permitted.
波紋補償器應該定期檢查。我建議波紋補償器的工作是壓縮,而不是拉伸,更不允許扭轉和橫向位移。
Maintenance instructions: observe whether the expansion jointt is over stretched and keep the expansion joint in normal length every month.
保養須知:每月要觀察波紋補償器是否超位移拉長,保持波紋補償器在正常長度內使用。
In order to ensure the expansion capacity, the bolts should be kept as small as possible (not exceeding 2 mm or 3mm) to avoid damaging the metal hose body.
為了保證伸縮能力,裝配螺栓要確保螺紋螺栓盡量少(不超過2毫米或3mm),以避免損壞波紋補償器本體。
Precaution
預防措施
When welding work is to take place the bellow has to be protected from welding heat and sparks.
當焊接工作發生時,波紋補償器本體必須防止焊接發熱和火花。
Please install an effective chlorine removal device at the inlet of the pipeline (chloride content is not more than 25mg/l) to avoid excessive chlorine content and pinhole corrosion.
請在管道進水口加裝有效去除氯離子裝置(氯離子含量不超過25mg/l),避免水氯離子含量超標,產生針孔腐蝕。
上海淞江減震器集團有限公司
Shanghai Songjiang Shock Absorber Group Co.,Ltd.
]]>